产品型号:D973H/Y/F
压力范围:PN10-PN160 CLASS150Lb~1500Lb
公称通径:DN 50~DN3000 NPS2"~120"
主体材料:碳钢、不锈钢、双相不锈钢、合金钢、镍合金钢
连接形式:对夹式
工作温度:-29℃~350℃
操作方式: 电动装置
设计标准:GB/T12238、JB/T8527、API 609
产品结构特征
三偏心蝶阀是将正锥角旋转一个角度改为斜锥角,这样阀杆与阀体中心偏心减小,开启力矩也随之减小。广泛用于冶金 、电力、石油化工、以及给排水和市政建设等工业管道上,作调节流量和载断流体使用。
其主要结构特点有
1、蝶板与密封面启闭无摩擦,强制密封;
2、可以任意位置安装;
3、零泄漏结构设计;
4、可选择金属与非金属,金属与金属密封方式;
5、有单向阀门和双向阀门供客户选择;
6、可选择动负载式填料;
7、可选择低泄露填料满足ISO 15848要求;
8、阀杆可加长设计;
9、可以按客户要求设计低温阀门或超低温阀门。
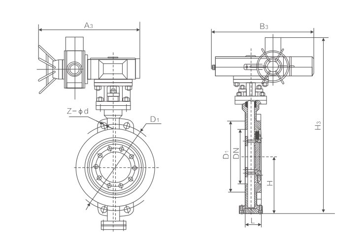
主要外形连接尺寸
|
DN |
L |
H |
D973H |
PN1.6MPa |
PN2.5MPa |
||||||
|
毫米 |
英寸 |
短 |
长 |
H3 |
A3 |
B3 |
D1 |
Z-φd |
D1 |
Z-φd |
|
|
40 |
11/2 |
33 |
33 |
107 |
530 |
250 |
255 |
110 |
4-18 |
110 |
4-18 |
|
50 |
2 |
43 |
43 |
112 |
530 |
250 |
255 |
125 |
4-18 |
125 |
4-18 |
|
65 |
21/2 |
46 |
46 |
115 |
530 |
250 |
255 |
145 |
8-18 |
145 |
8-18 |
|
80 |
3 |
49 |
64 |
125 |
565 |
250 |
255 |
160 |
8-18 |
160 |
8-18 |
|
100 |
4 |
56 |
64 |
138 |
600 |
250 |
255 |
180 |
8-18 |
190 |
8-22 |
|
125 |
5 |
64 |
70 |
164 |
640 |
250 |
255 |
210 |
8-18 |
220 |
8-26 |
|
150 |
6 |
70 |
76 |
175 |
704 |
300 |
315 |
240 |
8-23 |
250 |
8-26 |
|
200 |
8 |
71 |
89 |
215 |
775 |
300 |
315 |
295 |
12-23 |
310 |
12-26 |
|
250 |
10 |
76 |
114 |
243 |
945 |
300 |
315 |
355 |
12-25 |
370 |
12-30 |
|
300 |
12 |
83 |
114 |
285 |
1070 |
300 |
315 |
410 |
12-25 |
430 |
16-30 |
|
350 |
14 |
92 |
127 |
320 |
1140 |
300 |
315 |
470 |
16-25 |
490 |
16-33 |
|
400 |
16 |
102 |
140 |
350 |
1210 |
300 |
315 |
525 |
16-30 |
550 |
16-36 |
|
450 |
18 |
114 |
152 |
350 |
1335 |
575 |
714 |
585 |
20-30 |
600 |
20-36 |
|
500 |
20 |
127 |
152 |
380 |
1415 |
575 |
714 |
650 |
20-34 |
660 |
20-36 |
|
600 |
24 |
154 |
178 |
435 |
1605 |
656 |
810 |
770 |
20-36 |
770 |
20-39 |
|
700 |
28 |
165 |
229 |
480 |
1844 |
656 |
810 |
840 |
24-36 |
875 |
24-42 |
|
800 |
32 |
190 |
241 |
530 |
2040 |
656 |
810 |
950 |
24-39 |
990 |
24-48 |
|
900 |
36 |
203 |
241 |
595 |
2255 |
785 |
863 |
1050 |
28-39 |
1090 |
28-48 |
|
1000 |
40 |
216 |
300 |
650 |
2380 |
785 |
863 |
1170 |
28-42 |
1210 |
28-56 |
|
1200 |
48 |
254 |
360 |
775 |
2640 |
785 |
863 |
1390 |
32-48 |
1420 |
32-56 |