产品中心

产品中心

Product

对夹中线蝶阀(气动)

91热亚洲精品在线国产

技术参数

产品型号:D671X 

适用压力:PN1.0~1 .6MPa

适用规格:DN50~1200

适用温度:-10℃~150℃

阀体材质:铸铁、球墨铸铁、碳钢、不锈钢、铝青铜

产品详情

产品结构特征

      1、减小转动力矩,支撑阀杆,并使其与阀体有效分离,减小阀杆的磨损。

      2、经过抛光处理,与阀座精密配合。

      3、实现气密性试验零泄漏要求,启闭力矩小,延长阀座使用寿命。

      4、阀杆密封不易变形,从而避免了通常的阀杆泄漏现象。

      5、精度高,强度大,适用于手柄及其它控制装置的安装。

      6、牢固连接阀杆与阀板,具有防振脱特点,且易于更换。

      7、整体性好,便于控制阀板启闭。

      8、具有不脱落、抗拉、防泄漏、更换方便等特点。

      9、作为管路中调节或截断介质的设备。

      10、适用于手柄控制装置(DN50~300),蜗轮蜗杆、电动及气动控制装置。


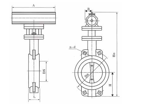
气动对夹中线蝶阀(图1)


主要外形连接尺寸

公称通径 结构长度
(标准值)
外形尺寸(参考值) 连接尺寸(标准值)
0.6MPa 1.0 MPa 1.6 MPa
毫米 英寸 L H Ho A B D0 n-d D0 n-d D0 n-d
50 2 43 63 315 180 65 110 4-14 125 4-18 125 4-18
65 2-1/2 46 70 330 180 65 130 4-14 146 4-18 145 4-18
80 3 46 83 390 245 72 150 4-18 160 8-18 160 8-18
100 4 52 105 431 240 72 170 4-18 180 8-18 180 8-18
125 5 56 115 455 240 72 200 8-18 210 8-18 210 8-18
150 6 56 137 626 350 93 225 8-18 240 8-22 240 8-22
200 8 60 164 720 350 93 280 8-18 295 8-22 295 12-22
250 10 68 206 800 550 350 335 12-18 350 12-22 355 12-26
300 12 78 230 860 600 350 395 12-22 400 12-22 410 12-26
350 14 78 248 883 600 350 445 12-22 460 16-22 470 16-26
400 16 102 289 972 600 350 495 16-22 515 16-26 525 16-30
450 18 114 320 1043 750 380 550 16-22 565 20-26 585 20-30
500 20 127 343 1098 750 380 600 20-22 620 20-26 650 20-33
600 24 154 413 1236 750 380 705 20-26 725 20-30 770 20-36
700 28 165 478 1431 750 380 810 24-26 840 24-30 840 24-36
800 32 190 525 1488 750 380 920 24-30 950 24-33 950 24-39
900 36 203 620 1615 1250 380 1020 24-30 1050 28-33 1050 28-39
1000 40 216 725 1765 1500 580 1120 28-30 1160 28-36 1170 28-42
1200 48 254 780 1976 1500 580 1340 32-33 1380 32-39 1390 32-48