产品型号:D641W
公称通径:DN100~3200mm
压力范围:PN0.05~0.6MPa
适用温度:-40~+450℃
连接方式:法兰式
适用介质:煤气、含尘气体、烟道气等
产品结构特征
气动通风蝶阀采用中线式蝶板形式设计,流阻小、流量大、操作轻便。常应用于化工、建材、电站等行业的含尘系统以及冷风或热风气体管道中,作为气体介质调节流量或切断装置。
其主要结构特点有
1、90度回转开启迅速,满足快速关闭工况;
2、轴承外置结构,杜绝管道内介质进入轴承;
3、大口径采用滚动轴承,摩擦力小,力矩小。
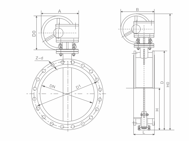
主要连接尺寸
|
公称通径 DN |
结构⻓度 (标准值) |
外形尺⼨(参考值)
|
连接尺⼨ |
|||||||||||
|
0.25MPa |
0.6MPa |
|||||||||||||
|
毫⽶ |
英⼨ |
L |
H |
H0 |
A |
B |
D |
D1 |
D2 |
Z-d |
D |
D1 |
D2 |
Z-d |
|
50 |
2 |
108 |
70 |
286 |
125 |
193 |
140 |
110 |
88 |
4-14 |
140 |
110 |
88 |
4-14 |
|
65 |
21/2 |
112 |
80 |
306 |
125 |
193 |
160 |
130 |
108 |
4-14 |
160 |
130 |
108 |
4-14 |
|
80 |
3 |
114 |
95 |
334 |
125 |
193 |
190 |
150 |
124 |
4-18 |
190 |
150 |
124 |
4-18 |
|
100 |
4 |
120 |
105 |
354 |
125 |
193 |
210 |
170 |
144 |
4-18 |
210 |
170 |
144 |
4-18 |
|
125 |
5 |
120 |
120 |
384 |
125 |
193 |
240 |
200 |
174 |
8-18 |
240 |
200 |
174 |
8-18 |
|
150 |
6 |
120 |
132 |
409 |
125 |
193 |
265 |
225 |
199 |
8-18 |
265 |
225 |
199 |
8-18 |
|
200 |
8 |
140 |
160 |
593 |
165 |
183 |
320 |
280 |
254 |
8-18 |
320 |
280 |
254 |
8-18 |
|
250 |
10 |
140 |
187 |
650 |
165 |
283 |
375 |
335 |
309 |
12-18 |
375 |
335 |
309 |
12-18 |
|
300 |
12 |
170 |
220 |
715 |
165 |
283 |
440 |
395 |
363 |
12-22 |
440 |
395 |
363 |
12-22 |
|
350 |
14 |
170 |
245 |
814 |
175 |
334 |
490 |
445 |
413 |
12-22 |
490 |
445 |
413 |
12-22 |
|
400 |
16 |
190 |
270 |
863 |
175 |
334 |
540 |
495 |
463 |
16-22 |
540 |
495 |
463 |
16-22 |
|
450 |
18 |
190 |
297 |
918 |
175 |
334 |
595 |
550 |
518 |
16-22 |
595 |
550 |
518 |
16-22 |
|
500 |
20 |
190 |
322 |
1016 |
210 |
425 |
645 |
600 |
568 |
20-22 |
645 |
600 |
568 |
20-22 |
|
600 |
24 |
210 |
377 |
1128 |
210 |
425 |
755 |
705 |
667 |
20-26 |
755 |
705 |
667 |
20-26 |
|
700 |
28 |
210 |
430 |
1233 |
210 |
425 |
860 |
810 |
772 |
24-26 |
890 |
810 |
772 |
24-26 |
|
800 |
32 |
210 |
487 |
1344 |
210 |
425 |
975 |
920 |
878 |
24-30 |
975 |
920 |
878 |
24-30 |
|
900 |
36 |
250 |
537 |
1560 |
320 |
620 |
1075 |
1020 |
978 |
24-30 |
1075 |
1020 |
978 |
24-30 |
|
1000 |
40 |
250 |
587 |
1660 |
320 |
620 |
1175 |
1120 |
1078 |
28-30 |
1175 |
1120 |
1078 |
28-30 |
|
1200 |
48 |
250 |
687 |
1890 |
320 |
620 |
1375 |
1320 |
1280 |
32-30 |
1405 |
1340 |
1295 |
32-33 |
|
1400 |
56 |
300 |
760 |
2670 |
575 |
714 |
1575 |
1520 |
1480 |
36-30 |
1630 |
1560 |
1510 |
36-36 |
|
1600 |
64 |
300 |
895 |
2810 |
575 |
714 |
1790 |
1730 |
1690 |
40-30 |
1830 |
1760 |
1710 |
40-36 |
|
1800 |
72 |
300 |
995 |
2020 |
575 |
714 |
1990 |
1930 |
1890 |
44-30 |
2045 |
1970 |
1918 |
44-39 |
|
2000 |
80 |
300 |
1095 |
3220 |
656 |
810 |
2190 |
2130 |
2090 |
48-30 |
2265 |
2180 |
2125 |
48-42 |