产品中心

产品中心

Product

套筒调节阀(气动)

91热亚洲精品在线国产

技术参数

产品型号:ZJHP、ZJHM

公称通径:DN15mm~200mm 

公称压力:1.6~6.4MPa

适用介质:水、油品、气体等

适用温度:常温型-20~200℃ 散热型-40~450℃

工作温度:-29~+150℃

法兰标准:JB79.1-94、JB79.2-94、GB2221-89

产品详情

产品概述

气动套筒调节阀是由多弹簧气动薄膜执行机构和低流阻精小型调节阀阀体组成,多弹簧执行机构高度低、重量轻、装备简便。阀体流道呈S流线型,具有结构紧凑、重量轻、动作灵敏、压降损失小、阀容量大、流量特性精确、维护方便等优点,可用于苛刻的工作条件。其配用电-气阀门定位或气动阀门定位器,可实现对工艺管路流体介质的自动调节控制。广泛应用于精确控气体、液体、蒸汽等介质的工艺参数如压力、流量、温度、液位等参数保持在给定值。


91热亚洲精品在线国产


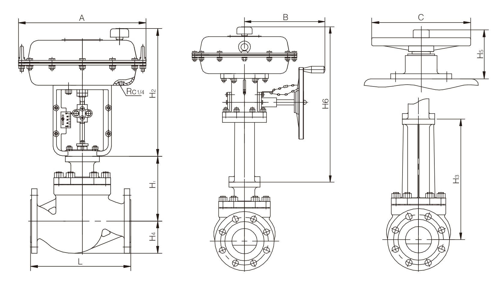
外形尺寸 

DN

20

25

32

40

50

65

80

100

125

150

200

H1

315

410

420

420

420

550

570

570

690

705

785

H2

55

60

70

75

80

90

105

120

140

150

200

H3

100

110

130

140

150

165

180

195

230

250

350

ФA

310

395

500

L

PN16

PN40

150

160

180

200

230

290

310

350

400

480

600

PN64

230

260

300

340

380

430

500

550

650

D

PN16

105

115

140

150

165

185

200

220

250

285

340

PN40

105

115

140

150

165

185

200

235

270

300

375

PN64

130

140

155

170

180

205

215

250

295

345

415

D1

PN16

75

85

100

110

125

145

160

180

210

240

295

PN40

75

85

100

110

125

145

160

190

220

250

320

PN64

90

100

118

125

135

160

170

200

240

280   

345

b

PN16

16

18

20

22

24

PN40

16

18

20

22

24

26

28

34

PN64

20

22

24

26

28

30

32

36

38

44

n-d

PN16

4-14

4-18

8-18

8-22

12-22

PN40

4-14

4-18

8-18

8-22

8-26

12-30

PN64

4-18

4-23

8-23

8-25

8-30

8-34

12-34

F1×D2

PN16

PN40

PN64

2×56

3×65

3×76

3×84

3×99

3×118

3×132

3×156

3×184

3×211

3×266

F2×D3

PN16

PN40

3×51

3×58

3×66

3×76

3×84

3×99

3×118

3×132

3×156

3.5×204

3.5×260

PN64

4×51

4×58

4×66

4×76

4×88

4×110

4×121

4.5×150

4.5×176

4.5×204

4.5×260