产品中心

产品中心

Product

单座调节阀(电动)

91热亚洲精品在线国产

技术参数

产品型号:ZSAP

公称通径:NPS 1-1/2”~24” (DN20~DN300) 

公称压力:Class150~Class600 (PN16~PN100)

适用温度:-196℃~540℃

流量特性:等百分比

压盖形式:螺栓压紧式

主要材质:碳钢, 不锈钢, 双相不锈钢, Inconel, Monel, Hastelloy,Ti

法兰标准:PN1.6按JB79-59标准、PN4.0按JB79-59标准

阀盖类型:标准型、伸长型、低温型、波纹管、保温夹套型

产品详情

产品概述

电动单座调节阀采用流体压力不平衡型阀芯结构,特殊的单座阀芯与笼式顶部导向的阀内件组合结构,使其具备单座调节阀的特点外,同时兼有套筒调节阀的动态稳定性,笼式导向套还起到了抗冲刷、防空化等作用;快卸式的阀内件组合,十分便利于内件的更新。适用于高压差、高温等苛刻工況,尤其适合于各类浆料、聚合物及高温介质。被广泛应用于大型火电厂、化工厂、水处理和污水处理、天然气油田、钢铁厂等自动控制系统中。


91热亚洲精品在线国产


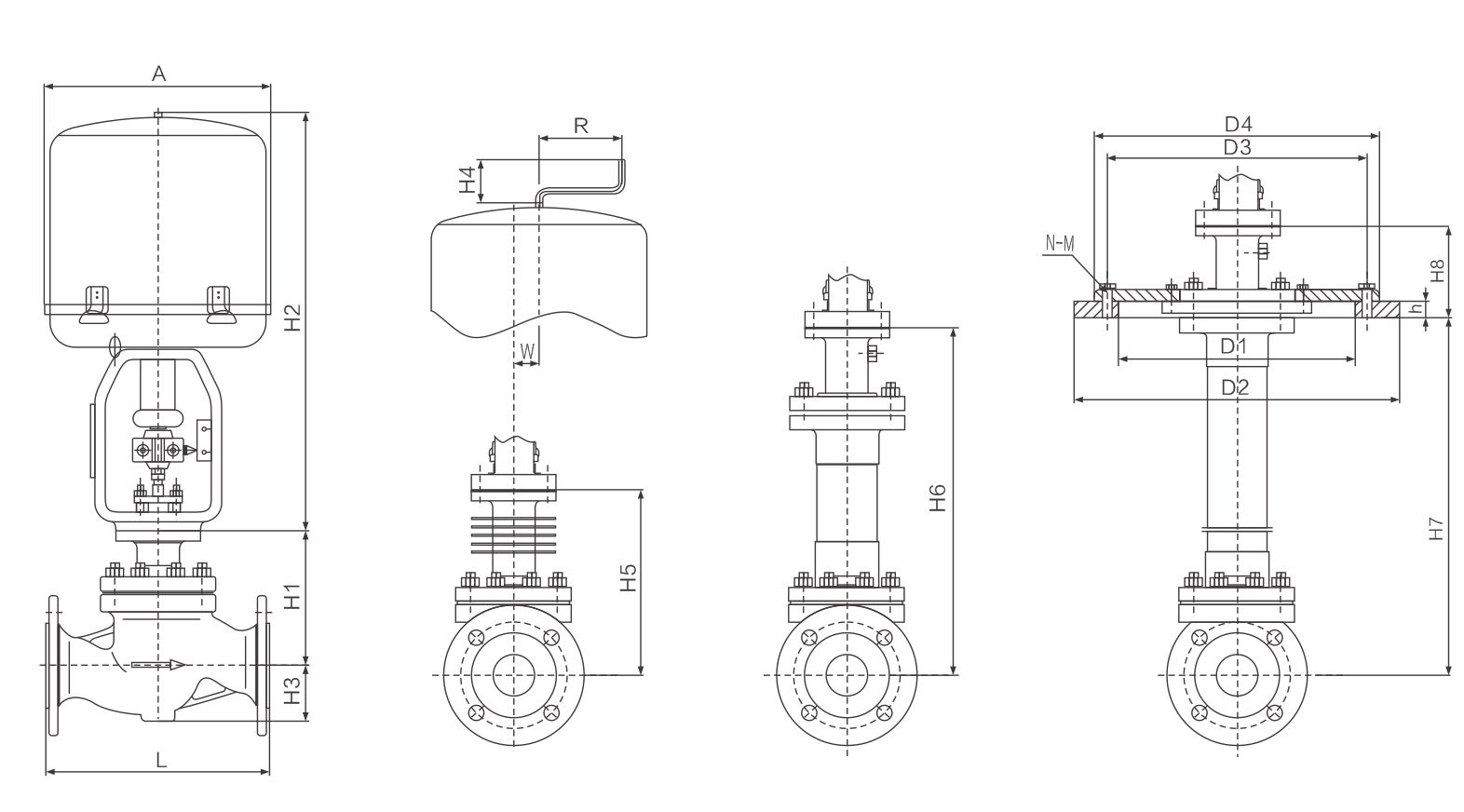
主要连接尺寸

公称通径(DN) 20 25 32 40 50 65 80 100 125 150 200 250 300
L PN16/25 181 184 200 222 254 276 298 352 410 451 600 640 880
PN40 194 197 200 235 267 292 317 368 425 473 610 760 910
PN64 206 200 210 251 286 311 337 394 440 508 650 810 950
H PN16/25 52.5 57.5 75 75 85.5 92.5 100 110 142.5 158 170 195 230
PN40 52.5 57.5 75 75 82.5 92.5 100 117.5 150 167.5 187.5 205 245
PN64 65 40 85 85 90 102.5 107.5 125 172.5 195 207.5 230 260
H1 132 132 158 170 179 214 221 234 270 294 331 390 450
H2 503 533 512 512 620 575 570 570 555 555 570 756 756
D 460 530 630