产品中心

产品中心

Product

活塞式三通切断阀(气动)

91热亚洲精品在线国产

技术参数

产品型号:ZSQN

公称通径:DN20~200mm

公称压力:PN1.0~6.4MPa

连接方式:法兰

阀体材料:铸铁、碳钢、不锈钢

适用介质:水、蒸汽、油品、酸碱等

适用温度:软密封F(四氟乙烯)≤180℃,硬密封≤450℃。

驱动方式:气动

产品详情

产品概述       

       活塞式气动三通切断阀,   由ZS型弹簧活塞式执行机构和切断阀组成,体积和重量轻小,切断迅速可靠,许用压差大。是自控系统执行元件,它接受二位调节仪表,PC程控机以及电控"ON-OFF"开关量信号,切断、开启或改变介质流向,实现对工艺参数二位式控制,适用于工艺管道紧急切断和放空用自动保护联锁系统等场所。本系列产品有薄膜式、活塞式两种。阀体结构有单座、套筒、双座(二位三通)三种,密封形式有填料密封和波纹管密封两种。具有结构简单、操作力大、体形小、重量轻、流阻小、阀容大、密封性能好、维修方便等优点。适用于无颗粒状、无杂质的气体、液体介质,要求快速严密关闭、快速放空的自动控制系统中。广泛应用于石油、化工、冶金、电力、轻纺等生产过程中的自动化控制系统中。


91热亚洲精品在线国产


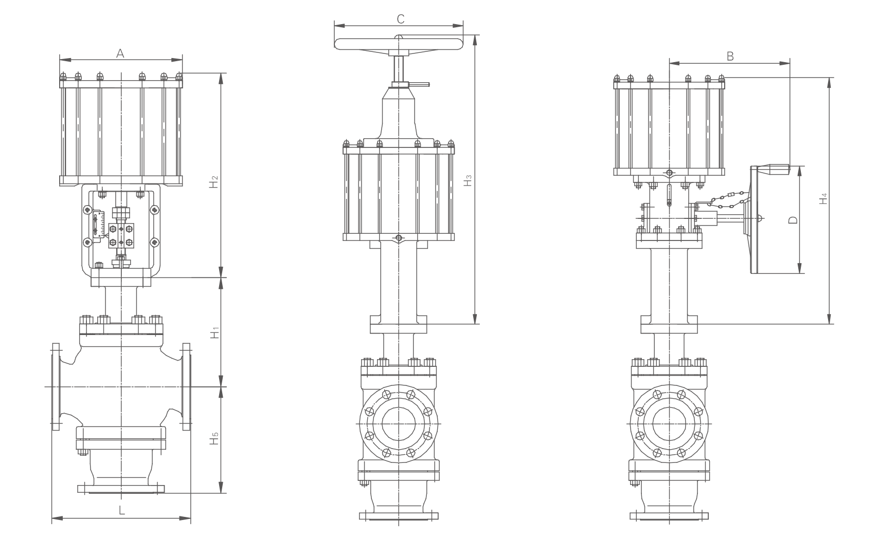
主要连接尺寸

公称通径
DN(mm)
L A H H1 重量(Kg) 信号接头
内螺纹
20 150 130 92 310 10 M10×1
25 160 130 92 310 12
32 180 130 93 310 15
40 200 150 105 370 18
50 230 150 108 380 25
65 290 210 120 400 30
80 310 210 125 410 40
100 350 210 135 425 60